Privacy statement: Your privacy is very important to Us. Our company promises not to disclose your personal information to any external company with out your explicit permission.
หมายเลขรุ่น: EWX4500D
แบรนด์: คำสั่งซื้อ OEM ที่ยอมรับได้
แหล่งพลังงาน: ไฟฟ้า
ใบสมัคร: ATV / UTV
แรงดันไฟฟ้า: 24 โวลต์, 12V
บรรจุภัณฑ์: กล่องส่งออก
การเดินทาง: Ocean,Air
สมุฏฐาน: จีน
ท่าเรือ: NINGBO,SHANGHAI
ชนิดการชำระเงิน: L/C,T/T,D/P
Incoterm: FOB,CFR,CIF
เครื่องกว้านเอทีวี 4500 ปอนด์ รุ่น EWX4500D.
การเปลี่ยนแปลงจากรอก 3000Lb ไปเป็น UTV 4500 poundwinch แบบไฟฟ้าจะย้ายความสามารถของรอกจากความสามารถระดับสุดยอดไปจนถึงระดับเมกะ รุ่น EWX4500D มีน้ำหนักประมาณ 12.6 กก. และยาวประมาณ 15 นิ้ว แม้ว่าเครื่องกว้านจะยังเล็กและน้ำหนักเบา แต่เครื่องกว้านสามารถเคลื่อนย้ายน้ำหนักได้มากถึง 2041KGs สิ่งนี้ทำให้เป็นปัจจุบัน [บิ๊กบอย” ในการเคลื่อนย้ายของหนัก
เป็น UTV Winch แบบกันน้ำ มีอายุการใช้งานยาวนานกว่าเมื่อเปรียบเทียบกับกว้านอื่นๆ เนื่องจากสามารถต้านทานการเกิดสนิมได้ หากคุณต้องการเคลื่อนย้ายของหนักจริงๆ เครื่องกว้านรถเอทีวี 4500 ปอนด์คือคำตอบของคุณ
คุณสมบัติ:
EWX4500
| SPECIFICATION |
|
| Rated line pull | 4500 lbs (2041 kgs) |
| Motor: permanent magnet | 12V:Input: 2.4 kW/ 3.2hp; Output: 1.0 kW/ 1.3hp |
|
|
24V:Input: 2.9 kW / 3.9hp; Output: 1.3kW / 1.7hp |
| Gear reduction ratio | 172:1 |
| Cable (Dia.× L) | Ø15/64″×47.6′ (Ø6.0mm×14.5m) |
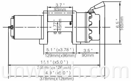
| Drum size (Dia.× L) | Ø1.77″×3.8″ (Ø45mm×93 mm) |
| Mounting bolt pattern | 5.1″×3.78″ (129mm×96 mm) 4-M8 |
| Pull Speed Amperes Volts First layer | Line Pull And Rope Capacity In Layer | ||||||
|
Line Pull
Ibs (kgs) |
Line Speed
Ft/min (m/min) |
Current
A |
Layer
of cable |
Rated line pull
lbs(kgs) |
Total Rope On Drum
ft (m) |
||
|
|
12V DC | 24V DC | 12V DC | 24V DC | 1 | 4500(2041) | 7.6(2.3) |
| 0 | 11.6(3.6) | 12.5(3.8) | 20 | 15 | 2 | 3642(1652) | 17.0(5.2) |
| 1500(680) | 9.2(2.8) | 10.5(3.2) | 70 | 40 | 3 | 3060(1388) | 27.0(8.3) |
| 2500(1134) | 7.8 (2.4) | 8.5(2.6) | 100 | 65 | 4 | 2638(1196) | 38.6(11.8) |
| 3500(1588) | 6.6(2.0) | 7.2(2.2) | 140 | 80 | 5 | 2254(1023) | 47.6(14.5) |
| 4500(2041) | 4.9(1.5) | 5.9(1.8) | 200 | 130 |
|
|
|
| ITEM | EWX4500D | EWX4500A | EWX4500U |
| Overall dimensions | 14.9″×5.0″×6.5″ | 14.9″×5.0″×6.5″ | 14.9″×5.0″×6.5″ |
| (L×W×H) | 378m×126mm ×165mm | 378m×126mm ×165mm | 378m×126mm ×165mm |
| Net weight (Ibs) | 27.8 | 28.7 | 28.7 |
| (kgs) | 12.6 | 13.0 | 13.0 |

ขนาดโดยรวม : 14.9″x5.0″x6.5″
(ยาว x กว้าง x สูง) 378 มม. x 126 มม. x 165 มม
น้ำหนักสุทธิ : 12.6 KGS

ประเภทผลิตภัณฑ์ : รอก Atv และ Utv > Atv Winch
Privacy statement: Your privacy is very important to Us. Our company promises not to disclose your personal information to any external company with out your explicit permission.
Fill in more information so that we can get in touch with you faster
Privacy statement: Your privacy is very important to Us. Our company promises not to disclose your personal information to any external company with out your explicit permission.